Wir wünschen eine besinnliche Advents- und Weihnachtszeit und einen guten Rutsch in das neue Jahr.
Bitte beachten Sie: Wir haben Betriebsferien vom 24.12.25 bis zum 04.01.26 – in dieser Zeit findet kein Versand statt!

Systemtrenner Typ BA, DVGW

327,00 €*

Inhalt: 1 Stück

Artikel lagernd. Lieferzeit 2-4 Werktage²

Stück
Artikelnummer: INM30204
Hersteller: IMT Armaturen AG
Herstellernummer: INM30204
Versandart: Paketversand
Systemtrenner Typ BA, DVGW

Der Systemtrenner Typ BA zur Absicherung von Trinkwasser gegen Nichttrinkwasser. Er wird direkt am Trinkwasserzulauf angebracht und schützt das Trinkwasser effektiv durch Rückflussverhinderer vor Verunreinigungen durch Nichttrinkwasser. Mit dieser kleinen kompakten Armatur kann jeder Auslaufhahn nachgerüstet werden.

Systemtrenner im Heizungssystem schützen das Trinkwasser vor zurückfließenden Heizungswasser, was leicht passieren kann, wenn der Druck im Heizungsnetz stark ansteigt oder der Druck im Trinkwassersystem abfällt. Jegliche Verunreinigung durch zurückfließendes Wasser in das Trinkwassernetz, beeinträchtigt die Qualität des Wassers und kann ernsthafte gesundheitliche Gefährdungen zur Folge haben.

Für den ordnungsgemäßen Betrieb darf der Systemtrenner nur senkrecht verbaut werden.

Eigenschaften

  • max. 4 m³/h
  • senkrechter Einbau
  • DVGW zertifiziert
  • Nenndruck PN 10
  • Messing verchromt
  • DIN EN 1717
  • inklusive Dichtungen und Plomben-Set
Temperaturbereich: max. +65°C, kurzzeitig +80°C, Medium Wasser

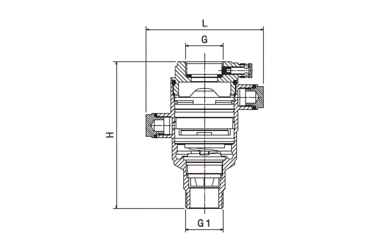
Technische Daten

Artikel-Nr.
 
G
mm
G1
mm
H
mm
L
mm
INM30204 3/4" 3/4" 102,0 82,0
INM30208 1" 1" 102,0 82,0
Artikelbezeichnung: Systemtrenner
Besonderheit: trinkwassergeeignet
Werkstoff: Messing verchromt
Downloads
Angaben zum Hersteller und zur Produktsicherheit (GPSR)

IMT ARMATUREN AG
Unterlettenstraße 10
CH-9443 Widnau
Schweiz

E-Mail: verkauf@imt-ch.com
https://www.imt-ch.com/de/


Zubehör

Claber Hahnstück mit Innengewinde
Innengewinde: 3/4" (24,2 mm)
Hahnstück für das einfache Anschließen einer Kupplung an einen Wasserhahn.

1,55 €*
Claber Hahnstück - Metal-Jet
Innengewinde: 3/4" (24,2 mm)
Robustes Hahnstück von Claber aus witterungsbeständiger Verchromung, perfekt wasserdicht.

5,00 €*
Auslaufventil, Zapfhahn mit Außengewinde, Messing
Außengewinde: 3/4" (26,4 mm)
Geeignet zum Durchfluss und zum Absperren eines flüssigen Mediums am Ende einer Rohrleitung.

Varianten ab 7,45 €*
11,25 €*